The photos you provided may be used to improve Bing image processing services.
Privacy Policy
|
Terms of Use
Can't use this link. Check that your link starts with 'http://' or 'https://' to try again.
Unable to process this search. Please try a different image or keywords.
Try Visual Search
Search, identify objects and text, translate, or solve problems using an image
Drag one or more images here,
upload an image
or
open camera
Drop images here to start your search
To use Visual Search, enable the camera in this browser
All
Search
Images
Inspiration
Create
Collections
Videos
Maps
News
More
Shopping
Flights
Travel
Notebook
Top suggestions for Make Block RGB Line Follower
RGB
Cube
RGB
Color Blocks
RGB
LED Matrix
RGB
Square
Block
Seating
Colorful
Blocks
Hue
Blocks
RGB
LED Lighting
LEGO
RGB
RGB
Ram
Rainbow Color
Blocks
RGB
Cub
Black RGB
Color
Wood
RGB
Roblox
RGB
Coloring
Blocks RGB
Smurf
Blocks
RGB
Color Minecraft
sRGB Color
Blocks
RGB Blocks
Logo
RGB
Robot
Elevated
Blocks
LEGO RGB
Colors
RGB
Wire
Minecraft RGB
Display
RGB
Roble
RGB
Buildings
50GB
Blocks
RGB
Solid Colors
RBG
Blocks
RGB
Color Wheel
RGB
PC Fans
GeForce
RGB
RGB
Fan Block
RGB
LEDs Blocks
Color Wheel Chart
RGB
RGB
Water Block
Outdoor Block
Seating
RGB-
D
Gambar RGB
Blok
Deep Blue
Blocks
RGB
Computer Case
RGB
Building Colours
RGB
Baby Toy
Black Block
L
Coloured Blocks
for Dikw
Minecraft Colored
Blocks
PC RGB
Themes
Simply Colored
Blocks
RGB
Black Screen
Explore more searches like Make Block RGB Line Follower
Laptop
Wallpaper
White
Background
Light
Pattern
No
Background
PC
Wallpaper
Broken
Screen
For
Disc
504X36
Pattern
Plain
Landscape
Characters
Effect
4$
City
Color
Moving
Sages
Neon 4K
Live
Transparent
Design
People interested in Make Block RGB Line Follower also searched for
No
Backgrouynd
Foollower
M-block
Animated
Wallpaper
Transparant Backround
GI
Light
Straight
Wallpaper
4K Live
Display
Landscape
Long
Square
Art
Reference
Packaging
Autoplay all GIFs
Change autoplay and other image settings here
Autoplay all GIFs
Flip the switch to turn them on
Autoplay GIFs
Image size
All
Small
Medium
Large
Extra large
At least... *
Customized Width
x
Customized Height
px
Please enter a number for Width and Height
Color
All
Color only
Black & white
Type
All
Photograph
Clipart
Line drawing
Animated GIF
Transparent
Layout
All
Square
Wide
Tall
People
All
Just faces
Head & shoulders
Date
All
Past 24 hours
Past week
Past month
Past year
License
All
All Creative Commons
Public domain
Free to share and use
Free to share and use commercially
Free to modify, share, and use
Free to modify, share, and use commercially
Learn more
Clear filters
SafeSearch:
Moderate
Strict
Moderate (default)
Off
Filter
RGB
Cube
RGB
Color Blocks
RGB
LED Matrix
RGB
Square
Block
Seating
Colorful
Blocks
Hue
Blocks
RGB
LED Lighting
LEGO
RGB
RGB
Ram
Rainbow Color
Blocks
RGB
Cub
Black RGB
Color
Wood
RGB
Roblox
RGB
Coloring
Blocks RGB
Smurf
Blocks
RGB
Color Minecraft
sRGB Color
Blocks
RGB Blocks
Logo
RGB
Robot
Elevated
Blocks
LEGO RGB
Colors
RGB
Wire
Minecraft RGB
Display
RGB
Roble
RGB
Buildings
50GB
Blocks
RGB
Solid Colors
RBG
Blocks
RGB
Color Wheel
RGB
PC Fans
GeForce
RGB
RGB
Fan Block
RGB
LEDs Blocks
Color Wheel Chart
RGB
RGB
Water Block
Outdoor Block
Seating
RGB-
D
Gambar RGB
Blok
Deep Blue
Blocks
RGB
Computer Case
RGB
Building Colours
RGB
Baby Toy
Black Block
L
Coloured Blocks
for Dikw
Minecraft Colored
Blocks
PC RGB
Themes
Simply Colored
Blocks
RGB
Black Screen
768×1024
scribd.com
RGB Line Follower | Download Free PD…
768×1024
scribd.com
Multicolor Line Follower Kit | PDF …
560×560
www.manualslib.com
MAKEBLOCK RGB LINE FOLLOWER QUICK STAR…
980×676
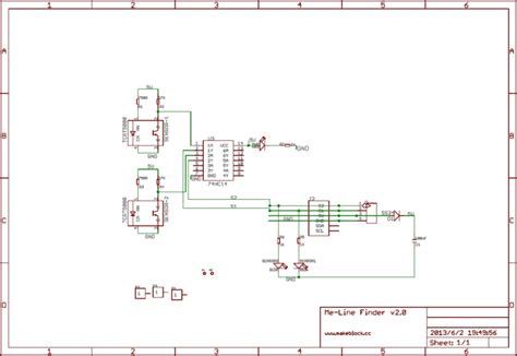
support.makeblock.com
About Me Line Follower – Makeblock Help Center
Related Products
LED Strip Lights
Gaming Mouse Pad
Mechanical Keyboard
1079×233
support.makeblock.com
About Me Line Follower – Makeblock Help Center
890×805
support.makeblock.com
About Me Line Follower – Makeblock Help Center
400×60
support.makeblock.com
About Me Line Follower – Makeblock Help Center
519×586
support.makeblock.com
About Me Line Follower – Makeblock Help Center
750×697
support.makeblock.com
About Me Line Follower – Makeblock Help Cen…
345×189
support.makeblock.com
About Me Line Follower – Makeblock Help Center
1273×547
support.makeblock.com
About Me Line Follower – Makeblock Help Center
300×300
support.makeblock.com
About Me Line Follower – Makebloc…
282×198
bigamart.com
Makeblock Me RGB Line Follower V1 for mBot/R…
Explore more searches like
Make Block
RGB Line
Follower
Laptop Wallpaper
White Background
Light Pattern
No Background
PC Wallpaper
Broken Screen
For Disc
504X36
Pattern
Plain
Landscape
Characters
264×188
bigamart.com
Makeblock Me RGB Line Follower V1 for …
480×508
support.makeblock.com
About Me Line Follower (for mBot) …
241×196
support.makeblock.com
About Me Line Follower (for mBot) – Makeblock Help Center
1000×1000
toptoyusa.com
Makeblock Me Line Follower V2 Electroni…
600×600
ardubotics.eu
Makeblock - Me RGB Line Follower V1
600×600
ardubotics.eu
Makeblock - Me RGB Line Follower V1
600×600
ardubotics.eu
Makeblock - Me RGB Line Follower V1
600×600
ardubotics.eu
Makeblock - Me RGB Line Follower V1
650×650
core-electronics.com.au
Makeblock Me Line Follower Array Aust…
784×213
support.makeblock.com
Case 7 - Read the value of the line follower sensor – Makeblock Help Center
GIF
1289×697
support.makeblock.com
Case 3 - Detect black lines with the line follower sensor – Makeblock ...
GIF
1289×697
support.makeblock.com
Case 3 - Detect black lines with the line follower sensor – Makeblock ...
1652×1170
oshwlab.com
Line Follower- Analog Inputs - Platform for creating and sharing ...
685×514
havi.co
How to Make a Line follower Robot | Easy & Fun | Havi.co
1169×827
oshwlab.com
line follower - Platform for creating and sharing projects - OSHWLab
360×360
pngtree.com
Line Follower Robot PNG Transparent Images Free Download | Vector Files ...
565×350
all-audio.pro
Block diagram line follower
1384×1920
vecteezy.com
Follower Line Two Color 9808305 Ve…
517×495
Electronic Circuits
Black Line Follower Robot
People interested in
Make Block
RGB Line
Follower
also searched for
No Backgrouynd
Foollower M-block
Animated Wallpaper
Transparant Backround GI
Light Straight
Wallpaper 4K Live
Display
Landscape Long
Square
Art Reference
Packaging
822×1920
vecteezy.com
Rgb Line Filled Icon 4332890…
947×609
vexforum.com
Line follower program. Vex blocks - #10 by Cristia95 - VEX IQ General ...
1024×643
cults3d.com
Free 3D file Line Follower・Template to download and 3D print・Cults
Some results have been hidden because they may be inaccessible to you.
Show inaccessible results
Report an inappropriate content
Please select one of the options below.
Not Relevant
Offensive
Adult
Child Sexual Abuse
Feedback