The photos you provided may be used to improve Bing image processing services.
Privacy Policy
|
Terms of Use
Can't use this link. Check that your link starts with 'http://' or 'https://' to try again.
Unable to process this search. Please try a different image or keywords.
Try Visual Search
Search, identify objects and text, translate, or solve problems using an image
Drag one or more images here,
upload an image
or
open camera
Drop images here to start your search
To use Visual Search, enable the camera in this browser
All
Search
Images
Inspiration
Create
Collections
Videos
Maps
News
More
Shopping
Flights
Travel
Notebook
Top suggestions for MCP23017 Rotary Encoder
Rotary Encoder
Circuit
Rotary Encoder
Arduino
Arduino Rotary Encoder
Wiring
MCP23017
Arduino
Rotary Encoder
Circuit Diagram
Rotary Encoder
Pinout
MCP23017
Schematic
Rotary Encoder
I2C
Rotary Encoder
SparkFun
Rotary Encoder
Breakout
Rotary Encoder
Module
Arduino Rotary Encoder
Multiple
Rotary Encoder
Wiring Raw Encoder
Micro
Rotary Encoder
PCF8574
Rotary Encoder
Rotary Encoder
with Proteus
Rotary Encoder
Inside
MCP23017
Library. Arduino
Rotary Encoder
Ports Arduino
Rotary Encoder
Breakout Board
Rotary Encoder
with 10 LEDs
RGB Rotary Encoder
Pinout
MCP23S17
MCP23017 Encoders
Wiring
RGB LED
Rotary Encoder
Rotary Encoder
Vertical Pinout
SparkFun Shaft
Encoder
Hand-Wired Rotary Encoder
with Breakout
Rotary Encoder
LED Round
Attiny Rotary Encoder
I2C
Rotary Encoder
Pinout No Breakout Board
Schematics of 2
Rotary Encoder to Arduino
R Rotary Encoder
JPEG
Mouse Scroll Rotary Encoder
with Arduino
Rotary Encoder
Libary Proteus
Arduino Mega 6
Rotary Encoder Wiring
Rotary Encoder
Module Footprint KiCad
How to Wire a Rotary Encoder
to a Microcontroller with Switch
Rotary
Sensors Circuit
Rotary Encoder
Hookup Arduino Electrical Diagram
Bluefruit52 SW Rotary Encoder
Polling Example
Series 288 Rotary Encoder
Pin Diagram PDF
5 Pin Digital Rotary Encoder
Module for Arduino Raspberry Pi Wiring-Diagram
Rotary Encoder
Arduino Wiring without Breakout Board
Schematics of How to Connect Several
Rotary Encoder to Arduino
Interfacing Rotary Encoder
Module with Arduino Uno and Ds3225 Servo Motor
Rotary Encoder
Switch Interface Circute to Microcontroller
PCF8575
Rotary Encoder
Arduino Rotary Encoder
Wiring OUT1 OUT2
MCP23017
Esp32
Explore more searches like MCP23017 Rotary Encoder
Heavy
Duty
Mechanical
Keyboard
Raspberry
Pi
Game Control
Board
Arduino
Nano
Stirling
Engine
Project
Box
Decoder
Circuit
Circuit
Diagram
Gray
Code
Breakout
Board
3Pin
Output
Signal
Wiring
Diagram
Pin
Diagram
High
Resolution
Push
Button
Large
Flat
Interface
Circuit
Controller
Board
Esp32
Arduino
Push Button
Arduino
Connection
Diagram
Push
Switch
Hollow
Shaft
Shaft
Keyboard
Rotary Encoder
Arduino
8-Bit
Disc
HotWire
Modular
SparkFun
Aero
Disk
Slim
Buttons
Light
MCP23017
People interested in MCP23017 Rotary Encoder also searched for
For
Arduino
Custom
Keyboard
Push Button
Switch
Circuit
EC11
Joystick
Interface
Flat
Kyria
Or
PCB
Drawing
EVERbest
5 Pins
Wiring
4 Pin
Optical
Selecter
A5048
Esp8266
Autoplay all GIFs
Change autoplay and other image settings here
Autoplay all GIFs
Flip the switch to turn them on
Autoplay GIFs
Image size
All
Small
Medium
Large
Extra large
At least... *
Customized Width
x
Customized Height
px
Please enter a number for Width and Height
Color
All
Color only
Black & white
Type
All
Photograph
Clipart
Line drawing
Animated GIF
Transparent
Layout
All
Square
Wide
Tall
People
All
Just faces
Head & shoulders
Date
All
Past 24 hours
Past week
Past month
Past year
License
All
All Creative Commons
Public domain
Free to share and use
Free to share and use commercially
Free to modify, share, and use
Free to modify, share, and use commercially
Learn more
Clear filters
SafeSearch:
Moderate
Strict
Moderate (default)
Off
Filter
Rotary Encoder
Circuit
Rotary Encoder
Arduino
Arduino Rotary Encoder
Wiring
MCP23017
Arduino
Rotary Encoder
Circuit Diagram
Rotary Encoder
Pinout
MCP23017
Schematic
Rotary Encoder
I2C
Rotary Encoder
SparkFun
Rotary Encoder
Breakout
Rotary Encoder
Module
Arduino Rotary Encoder
Multiple
Rotary Encoder
Wiring Raw Encoder
Micro
Rotary Encoder
PCF8574
Rotary Encoder
Rotary Encoder
with Proteus
Rotary Encoder
Inside
MCP23017
Library. Arduino
Rotary Encoder
Ports Arduino
Rotary Encoder
Breakout Board
Rotary Encoder
with 10 LEDs
RGB Rotary Encoder
Pinout
MCP23S17
MCP23017 Encoders
Wiring
RGB LED
Rotary Encoder
Rotary Encoder
Vertical Pinout
SparkFun Shaft
Encoder
Hand-Wired Rotary Encoder
with Breakout
Rotary Encoder
LED Round
Attiny Rotary Encoder
I2C
Rotary Encoder
Pinout No Breakout Board
Schematics of 2
Rotary Encoder to Arduino
R Rotary Encoder
JPEG
Mouse Scroll Rotary Encoder
with Arduino
Rotary Encoder
Libary Proteus
Arduino Mega 6
Rotary Encoder Wiring
Rotary Encoder
Module Footprint KiCad
How to Wire a Rotary Encoder
to a Microcontroller with Switch
Rotary
Sensors Circuit
Rotary Encoder
Hookup Arduino Electrical Diagram
Bluefruit52 SW Rotary Encoder
Polling Example
Series 288 Rotary Encoder
Pin Diagram PDF
5 Pin Digital Rotary Encoder
Module for Arduino Raspberry Pi Wiring-Diagram
Rotary Encoder
Arduino Wiring without Breakout Board
Schematics of How to Connect Several
Rotary Encoder to Arduino
Interfacing Rotary Encoder
Module with Arduino Uno and Ds3225 Servo Motor
Rotary Encoder
Switch Interface Circute to Microcontroller
PCF8575
Rotary Encoder
Arduino Rotary Encoder
Wiring OUT1 OUT2
MCP23017
Esp32
460×460
mcp-archive.com
Rotary Encoder Over Mcp23017
841×595
GitHub
GitHub - raspibo/I2C_rotary_encoder: Arduino rotary encoder over I2C ...
1200×600
GitHub
GitHub - maxgerhardt/rotary-encoder-over-mcp23017: Library and example ...
1024×955
storage.googleapis.com
Rotary Encoder Example at Gemma Odea blog
Related Products
Rotary Encoder Knob
Arduino Rotary Encoder
Module Board
640×480
www.reddit.com
How to add rotary encoder to Ferris setup on the MCP23017 …
1442×801
forum.arduino.cc
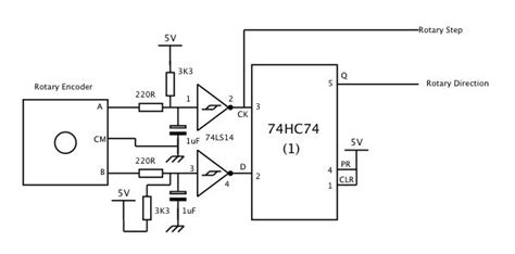
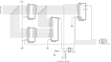
MCP23017 + Rotary encoders - General Guidance - Arduino Forum
597×295
forum.arduino.cc
MCP23017 + Rotary encoders - General Guidance - Arduino Forum
1280×960
forum.arduino.cc
Encoder on MCP23017 not able to read - General Guidance - …
987×651
g7smy.co.uk
Rotary Encoders on the i2c bus | g7smy.co.uk
0:48
www.youtube.com > Curiosity Workshop
MCP23017 Rotary Encoder Arduino Library Overview
YouTube · Curiosity Workshop · 2.4K views · Jan 24, 2021
1280×720
www.youtube.com
Arduino MCP23017 rotary encoder test - YouTube
Explore more searches like
MCP23017
Rotary Encoder
Heavy Duty
Mechanical Keyboard
Raspberry Pi
Game Control Board
Arduino Nano
Stirling Engine
Project Box
Decoder Circuit
Circuit Diagram
Gray Code
Breakout Board
3Pin
800×800
www.aliexpress.com
kaiweikzic-New-MCP23017-E-SP-MC…
800×800
vi.aliexpress.com
1PCS-New-and-Original-MCP23017-…
1000×783
electrodragon.com
mcp23017 – ElectroDragon
600×570
autoctrls.com
MCP23017 Datasheet: Pin Diagram, Features, …
1600×907
autoctrls.com
MCP23017 Datasheet: Pin Diagram, Features, and Specifications
1169×827
autoctrls.com
MCP23017 Datasheet: Pin Diagram, Features, and Specifications
1169×827
oshwlab.com
mcp23017 extender - Platform for creating and sharing projects - OSHW…
1071×669
autoctrls.com
MCP23017 Datasheet: Pin Diagram, Features, and Specifications
1000×1000
www.aliexpress.com
Sf37ac3a36840438baa0f…
1000×1000
www.aliexpress.com
S318cf82bbe7f4888b55f31987…
800×800
www.aliexpress.com
Store Home Products Feedback
900×900
jlcpcb.com
MCP23017-E/SP | Microchip Tech | I/O Expanders | JLCPCB
1200×900
Adafruit Industries
MCP23017 - i2c 16 input/output port expander : ID 732 : $2.95 ...
1200×900
Adafruit Industries
MCP23017 - i2c 16 input/output port expander : ID 732 : $2.95 ...
700×214
revspace.nl
MCP23017 - RevSpace
800×800
www.aliexpress.com
MCP23017-DIP-28-MCP23017-E-SP-MC…
250×250
lisleapex.com
MCP23017-E/SP | Microchip Technolog…
640×640
weylan-d.com
MCP23017T-E/SS Ordering on line | Mic…
People interested in
MCP23017
Rotary Encoder
also searched for
For Arduino
Custom Keyboard
Push Button Switch
Circuit EC11
Joystick
Interface
Flat
Kyria
Or PCB
Drawing
EVERbest
5 Pins Wiring
750×500
components101.com
MCP23017: Features, Pinout, Arduino Interfacing, and Applications
750×500
components101.com
MCP23017: Features, Pinout, Arduino Interfacing, and Applications
750×500
components101.com
MCP23017: Features, Pinout, Arduino Interfacing, and Applications
750×500
components101.com
MCP23017: Features, Pinout, Arduino Interfacing, and Applications
750×500
components101.com
MCP23017: Features, Pinout, Arduino Interfacing, and Applications
1534×1024
www.instructables.com
Mcp23017 and PoKeys and Linuxcnc : 13 Steps - Instructables
Some results have been hidden because they may be inaccessible to you.
Show inaccessible results
See more images
Recommended for you
Sponsored
Report an inappropriate content
Please select one of the options below.
Not Relevant
Offensive
Adult
Child Sexual Abuse
Feedback