The photos you provided may be used to improve Bing image processing services.
Privacy Policy
|
Terms of Use
Can't use this link. Check that your link starts with 'http://' or 'https://' to try again.
Unable to process this search. Please try a different image or keywords.
Try Visual Search
Search, identify objects and text, translate, or solve problems using an image
Drag one or more images here,
upload an image
or
open camera
Drop images here to start your search
To use Visual Search, enable the camera in this browser
All
Search
Images
Inspiration
Create
Collections
Videos
Maps
News
More
Shopping
Flights
Travel
Notebook
Top suggestions for Phase Shift Control
Phase Shift
Circuit
Phase
Shifter
Phase Shift
Angle
Phase Shift
Mask
Phase Shift Control
Diagram
Phase Shift Control
System
Phase Control
Module
Phase
Shifting
Phase Shift
Resonant
Waveform
Phase Shift
Digital
Control Phase Shift
Phase Shift Control
of Inverter
Sensor
Phase Shift
Phase Shift
Identity
Phase Control
Thyristor
Phase Shift
PWM
Single
Phase Shift
Phase Shift
DAB
Phase Shift
Controller
RC Phase
Shifter
Phase Shift Control
Block Diagram
Phase Shift Control
Resonant Converter Book
Phase Shift Control
in DC DC Converter
Phase Shift
Method
Phase Shift Control
Schematic
What Is a
Phase Shift
180 Degree
Phase Shift
Dual Phase Shift Control
of DAB
Phase Shift Control
Full Bridge
Phase Shift
Generater
Rogowski
Phase Shift
PID Controll of Dual
Phase Shift Control
Visual
Phase Shift
Dual Active Bridge Converter Diagram with
Phase Shift Control
Phase
Shuft
Civil
Phase Shift
Phase Shift
Concept
Phase Shift
Colors
Sine and Cosine
Phase Shift
RC Phase Shift
Network
Phase
Angle vs Phase Shift
Two-
Phase Shift
Dynamic
Shift Control
Phase Shift
Abstract
MMIC Phase
Shifter
Thyrister Control Phase
Shifter
Triple
Phase
Voltage Controlled
Phase Shift
Phase Shift Control
Schematic Clllc
Shifter
Transformers
Refine your search for Phase Shift Control
Block
Diagram
Resonant Converter
Book
Full
Bridge
Explore more searches like Phase Shift Control
Sin
Graph
Sine
Cosine
Oscillator Circuit
Diagram
Trig
Graphs
Graph
Showing
Digital
Circuit
Positive vs
Negative
Damped Driven
Oscillator
Sine
Wave
Circuit
Diagram
Cosine
Graph
Thin Film
Interference
Key
Modulation
Wave
Propagation
Complex Wave
Function
Sine
Graph
Titanfall
2
Sine
270
Oscillator
Diagram
High Pass
Filter
Sin x
Graph
Quadratic
Equation
Square
Wave
Oscillator
Waveform
Wave
Equation
Trigonometric
Functions
Power
Factor
Angle
Formula
Unit
Circle
Trig
Keying
Diagram
Method
0
Double
Physics
Identity
Square
Waves
Horizontal
Phase Shift
Examples
Drawing
Art
Signal
People interested in Phase Shift Control also searched for
Sin Cos
Graph
What Is
Signal
Sine Cosine
Wave
Angle
Altitude
Op-Amp
Oscilloscope
Amplifier
Game
Asymptote
Keyboard
Conf9igf
Left-Right
Waveform
Ion
Graph
PWM
Autoplay all GIFs
Change autoplay and other image settings here
Autoplay all GIFs
Flip the switch to turn them on
Autoplay GIFs
Image size
All
Small
Medium
Large
Extra large
At least... *
Customized Width
x
Customized Height
px
Please enter a number for Width and Height
Color
All
Color only
Black & white
Type
All
Photograph
Clipart
Line drawing
Animated GIF
Transparent
Layout
All
Square
Wide
Tall
People
All
Just faces
Head & shoulders
Date
All
Past 24 hours
Past week
Past month
Past year
License
All
All Creative Commons
Public domain
Free to share and use
Free to share and use commercially
Free to modify, share, and use
Free to modify, share, and use commercially
Learn more
Clear filters
SafeSearch:
Moderate
Strict
Moderate (default)
Off
Filter
Phase Shift
Circuit
Phase
Shifter
Phase Shift
Angle
Phase Shift
Mask
Phase Shift Control
Diagram
Phase Shift Control
System
Phase Control
Module
Phase
Shifting
Phase Shift
Resonant
Waveform
Phase Shift
Digital
Control Phase Shift
Phase Shift Control
of Inverter
Sensor
Phase Shift
Phase Shift
Identity
Phase Control
Thyristor
Phase Shift
PWM
Single
Phase Shift
Phase Shift
DAB
Phase Shift
Controller
RC Phase
Shifter
Phase Shift Control
Block Diagram
Phase Shift Control
Resonant Converter Book
Phase Shift Control
in DC DC Converter
Phase Shift
Method
Phase Shift Control
Schematic
What Is a
Phase Shift
180 Degree
Phase Shift
Dual Phase Shift Control
of DAB
Phase Shift Control
Full Bridge
Phase Shift
Generater
Rogowski
Phase Shift
PID Controll of Dual
Phase Shift Control
Visual
Phase Shift
Dual Active Bridge Converter Diagram with
Phase Shift Control
Phase
Shuft
Civil
Phase Shift
Phase Shift
Concept
Phase Shift
Colors
Sine and Cosine
Phase Shift
RC Phase Shift
Network
Phase
Angle vs Phase Shift
Two-
Phase Shift
Dynamic
Shift Control
Phase Shift
Abstract
MMIC Phase
Shifter
Thyrister Control Phase
Shifter
Triple
Phase
Voltage Controlled
Phase Shift
Phase Shift Control
Schematic Clllc
Shifter
Transformers
1040×707
australiatews.weebly.com
Phase shift - australiatews
613×279
researchgate.net
Phase shift control scheme | Download Scientific Diagram
279×279
researchgate.net
Phase shift control scheme | Download …
3200×1828
storage.googleapis.com
Subwoofer Phase Shift Control at Norma Shanks blog
Related Products
Oscilloscope
Keying Modulator
Guitar Pedal
2066×1181
eureka.patsnap.com
Phase shift control patented technology retrieval search results ...
640×640
researchgate.net
The Principle Working of Phase Shift Control | Do…
850×210
researchgate.net
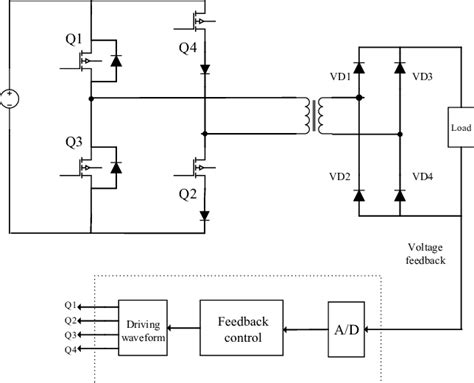
Control block diagram of DC transformer with phase shift control ...
2331×2664
eureka.patsnap.com
Phase shift control patented technology r…
850×578
researchgate.net
The δ Phase-shift control block diagram | Download Scientific Diagram
1280×720
storage.googleapis.com
Phase Shift Control Full Bridge Converter at Peggy Flemming blog
850×659
researchgate.net
Phase shift control | Download Scientific Diagram
Refine your search for
Phase Shift Control
Block Diagram
Resonant Converter Book
Full Bridge
850×402
researchgate.net
Schematic of PWM phase shift control circuit. | Download Scientific Diagram
185×185
researchgate.net
The phase shift control soft swit…
850×425
researchgate.net
P rinciples of phase-shift control | Download Scientific Diagram
541×185
researchgate.net
The phase shift control soft switch main circuit diagram | Download ...
723×469
researchgate.net
shows the phase-shift control for this experiment under the two control ...
320×320
researchgate.net
Equivalent circuit of phase-shift control. | …
660×270
researchgate.net
Phase-shift control of the bidirectional dc-dc converter. | Download ...
850×447
researchgate.net
Equivalent circuit of phase-shift control. | Download Scientific Diagram
1254×548
semanticscholar.org
Figure 1 from ACTIVE phase-shift control of multi-phase converters to ...
850×270
researchgate.net
Block diagram file of the proposed phase shift control | Download ...
644×521
researchgate.net
THE MAIN CIRCUIT PHASE SHIFT CONTROL BLOCK …
1145×1024
elprocus.com
RC Phase Shift Oscillator : Circuit using BJT, Freque…
3828×1795
aesim-tech.github.io
Phase Shift Full Bridge - Technical Resources
3000×1060
rflambda.com
Voltage Control Phase Shifter - RF-Lambda
757×399
researchgate.net
Optimal phase-shift controller. | Download Scientific Diagram
Explore more searches like
Phase Shift
Control
Sin Graph
Sine Cosine
Oscillator Circuit Diagr
…
Trig Graphs
Graph Showing
Digital Circuit
Positive vs Negative
Damped Driven Oscillator
Sine Wave
Circuit Diagram
Cosine Graph
Thin Film Interference
850×1017
researchgate.net
Concept of phase-shift controller. | D…
1507×646
storage.googleapis.com
Phase Shift In Electric Circuit at Clinton Long blog
592×802
semanticscholar.org
Figure 1 from Analysis and si…
850×361
researchgate.net
Phase-shift control scheme IV. SIMULATION RESULTS To verify the ...
680×558
semanticscholar.org
Figure 2 from A comparative study of phase-shift control schemes in …
766×728
semanticscholar.org
Figure 13 from Phase-Shift Control for High-Voltage DC …
600×956
Semantic Scholar
Figure 5 from Novel Phase-S…
556×1060
semanticscholar.org
Figure 2 from An Inner Phase S…
1024×768
SlideServe
PPT - Zero-voltage transition converters The phase-shifted full bridge ...
Some results have been hidden because they may be inaccessible to you.
Show inaccessible results
See more images
Recommended for you
Sponsored
Report an inappropriate content
Please select one of the options below.
Not Relevant
Offensive
Adult
Child Sexual Abuse
Feedback